当今社会,工业机器人能够迅速发展的巨大推动力,是客户面临着的各式各样、纷繁复杂的生产问题以及企业所具备的、积极面对且必须努力解决这些问题的坚定决心。本着致力于帮助客户解决实际难题的必胜信念,纳博特斯克成功开发出了精密减速机RV,并强力支持着工业机器人的逐步进化。
不仅在工业机器人领域,拥有高精度和高刚性等特点的精密减速机RV也同样支持着自动化行业中各种机械、设备的开发。使设备更具安全性、可靠性、并简化设备的设计、安装和使用。
通过沟通,纳博特斯克了解到客户对生产现场安全性的需求日渐重视。历时多年的潜心研究,终于开发出一款附带制动助力器的精密减速机RV产品——RT-G系列。

使用该产品的设备即使在停电时,也不影响制动器的运作,为设备、生产产品以及作业人员的安全提供保障,有效减少因突发状况而造成的经济损失。因其具备较大的减速比,即使是采用功率较小的电机,也能产生强大的动力,所以非常适合应用在大型的开闭装置领域。
【用途示例】

【产品规格】

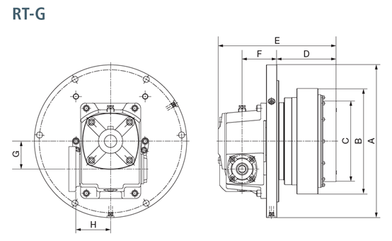
【外形尺寸】


如对产品感兴趣,欢迎致电021-33632200咨询。





